
蝶閥知識
閥門首頁 > 閥門知識 > 蝶閥知識 > 蝶閥手動改自動延長桿加多長是一種常見的工程需求,旨在增加操作便利性和提高工作效率。蝶閥作為一種常用的流體控制裝置,廣泛應用...
安裝方式區別:法蘭蝶閥一般采用法蘭連接,通過在管道上單獨設置法蘭連接的方式安裝;而對夾蝶閥則是通過對接夾緊在管道上的對夾法...
封蝶閥配以電動執行器,可實現遠距離控制和自動化操作。電動多層次金屬密封蝶閥系列產品,系使用時間長、節能型蝶閥。其結構采用三維編...
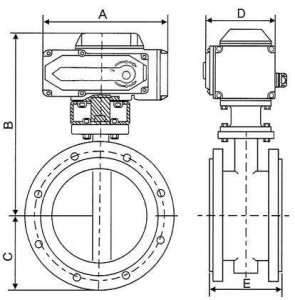
d941X-16c電動蝶閥的型號意義及結構詳細圖解 d代表蝶閥。 9代表驅動裝置是電動。 4代表閥門與管道的連接方式是法蘭連接。 數字1有兩種說...
D941X不銹鋼智能電動蝶閥是采用一體化結構,接入220V或380V電源即可控制運轉,也可加入控制模塊,輸入控制信號(4-20mADC或1-5VDC)進行調節控制。不...
在工業領域中,電動對夾中線蝶閥DN100是一種常見且重要的設備。它具有電動操作的特點,能夠實現快速、精準的控制,廣泛應用于控制流...
手動蝶閥型號是指用于標識和區分不同型號的手動蝶閥的一串字符或數字。了解手動蝶閥型號對于正確選擇和使用閥門至關重要。那么,我...
分享電動蝶閥故障大全及解決方法圖解 電動蝶閥閥填料外部泄漏原因:填料老化嚴重。壓力帽螺栓沒有擰緊或松動。解決方法:更換新填料...
通過物聯網技術,用戶可以將電動閥與其他智能設備連接起來,實現聯動控制。例如,用戶可以通過手機APP將電動閥與智能溫度傳感器、智...
電力行業中,電動蝶閥DN80可用于水力發電、火力發電等領域,實現流量的調節和控制。在建筑行業中,電動蝶閥DN80可用于供水和排水系統,...